Direkt zum Inhalt

Fachbereich Ingenieurwissenschaften und Kommunikation

Rasterelektronenmikroskopie (REM)

Mit unserem modernen Rasterelektronenmikroskop JEOL JSM-IT200 können wir Objekte bis auf maximal 3 Nanometer auflösen. In Ergänzung dazu dient energiedispersive Röntgenstrahlung (EDX Detektor) zur Analyse der Verteilung der chemischen Elemente.
sem_sed_016.jpeg (DE)

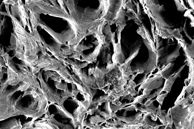
Bei der Rasterelektronenmikroskopie werden Objekte mit einer großen Schärfentiefe dargestellt, wie beispielsweise diese Bruchfläche einer im Zugversuch bei 600°C gerissenen Probe. Zur Bilderzeugung rastert ein Elektronenstrahl die Probe ab. Durch Wechselwirkungen des Elektronenstrahls mit den Elektronen im Werkstoff der untersuchten Probe entsteht das Bild. Dafür werden entweder die Sekundär- oder die Rückstreuelektronen des Werkstoffs verwendet, welche die jeweiligen Detektoren analysieren.